Сушильная машина Miele PDR 507 EL RU SST
Характеристики
Особенности
Описание
Miele PDR 507 EL RU SST — профессиональная сушильная машина с отводом воздуха загрузкой 7 кг. Предусмотрено 26 стандартных программ, объединенных в 5 пакетов различного типа: стандартные, специальные, спорт, домашний текстиль, гигиена. Легко управляется с помощью поворотного программатора, также имеет дисплей, благодаря которому можно следить за работой устройства.
- Электронный контроль остаточной влажности
- Сотовый барабан
- Тепловой насос
Общие характеристики

Сушильные машины по виду можно разделить на две большие группы — для дома и профессиональные. Профессиональные модели рассчитаны на непрерывную длительную эксплуатацию. Они отличаются повышенной прочностью, простотой конструкции, долговечностью и большим весом загрузки. Программы у них группируются в соответствии с назначением — для гостиниц, больниц, детских учреждений и т.п. Модели для дома могут оснащаться более современными методами сушки, а материалом их изготовления может служить не только металл, но и пластик — из-за менее интенсивной и нерегулярной эксплуатации.

По типу установки принято выделять отдельно стоящие и встраиваемые сушильные машины. Отдельно стоящие модели сушилок пользуются большим спросом, поскольку в большинстве своем они могут устанавливаться сверху на стиральные машины, тем самым экономя место в помещении. Крепежный комплект для установки сушилок поставляется вместе с устройством. Встраиваемые модели имеют те же преимущества, что и другая встроенная техника — они закрываются декоративным фасадом и позволяют сохранить единый стиль интерьера. Иногда такие машины размещаются бок-о-бок со стиральными в просторной кухне или ванной.

При приобретении сушильной машины следует обращать внимание на особенности установки. Наиболее популярны модели, которые устанавливаются в колонну со стиральными машинами — такие образом экономится место в кухне или в ванной. Сушилка, как более легкая, всегда размещается сверху. Кроме того, она должна иметь несколько меньшие габариты, чем стиральная — это гарантирует устойчивость всей конструкции, особенно во время отжима. Крепеж для установки обычно входит в комплект поставки. Такие модели могут устанавливаться и бок-о-бок со стиральными (тип Side-by-Side). Машины также соединяются вместе при помощи специального крепежа. Они могут дополняться полками или выдвижными ящиками для белья. Недостатком такой установки может считаться ограниченный выбор места, поскольку рядом должны находиться все коммуникации, включая канализацию, водопровод и электросеть.
Высота сушильной машины составляет 82-85 см, благодаря чему ее можно разместить под столешницей — например, в ванной рядом с раковиной. У некоторых моделей высоту прибора можно уменьшить, сняв верхнюю крышку и заменив специальной технологической крышкой для встраивания или металлической плитой.

Высота сушильных машин — значимая характеристика, особенно если предполагается размещение модели под столешницей или в колонну со стиральной машиной. Большинство моделей сушилок имеет стандартную высоту 84-85 см. У ряда моделей верхняя крышка делается съемной, что позволяет уменьшить высоту на несколько сантиметров для удобного встраивания. Машины отдельных брендов, рассчитанных на страны Северной и Южной Америки, с увеличенным весом загрузки достигают в высоту 112 см. Особое место занимают сушильные шкафы с вентиляционной сушкой без вращающегося барабана — их высота может составить до 180 см. Учитывайте это при планировании домашней прачечной.

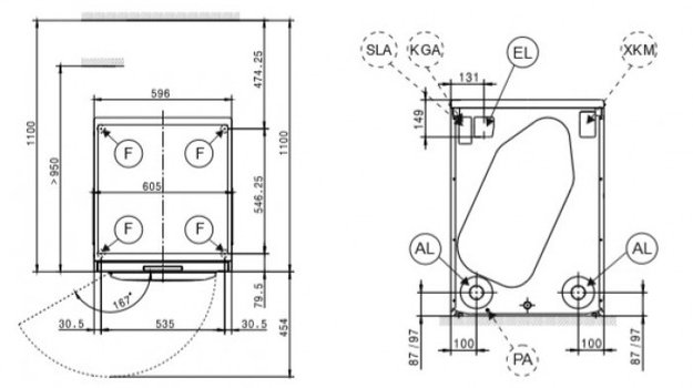
Ширину сушильной машины следует учитывать при любом варианте установки. Стандартное значение этого показателя составляет 59-60 см: такие устройства подходят для установки в колонну со стиральными или бок-о-бок с ними, а также для встраивания под столешницу или в кухонную тумбу. Они являются наиболее востребованными благодаря достаточно большому весу загрузки. Наименьшая ширина сушилок составляет 55-56 см, а максимальное значение этого параметра достигает 70 см. Самой большой шириной отличаются модели для профессионального использования, рассчитанные на увеличенный вес загрузки.

Глубина сушильной машины — самый важный параметр, от которого зависит не только выбор места размещения, но и объем барабана, а значит — и вес загрузки. Ее необходимо учитывать при установке в колонну — сушильная машина не должна выдаваться вперед. Принято выделять стандартные и узкие машины. Глубина стандартных составляет около 60 см, но выпускаются сушилки большей глубины — до 80 см: как правило, это профессиональные модели. Узкие сушилки с весом загрузки 6-7 кг имеют ширину около 50 см, хотя встречаются устройства и меньшей глубины. Глубина сушильных шкафов составляет обычно стандартные 60 см.
Классы

Класс энергопотребления сушильной машины в обязательном порядке указывается информационной табличке прибора. Большинство бытовых приборов маркируется в соответствии с единой системой классификации и относится к одному из 7 классов — от наиболее энергоемкого класса D до самых экономичных приборов А+++. Сушилка принадлежит к тому или иному классу по результатам испытаний, в процессе которых вычисляется индекс энергетической эффективности Energy Efficiency Index (EEI). Этот индекс обозначает соотношение между фактическим потреблением электроэнергии данной моделью за год и нормой годового потребления для стандартной сушильной машины.
Соответствие класса энергоэффективности и индекса можно найти в документе «О требованиях к энергетической эффективности энергопотребляющих устройств». Так, для устройств класса А+++ индекс EEI не должен превышать 24, для класса А++ он должен составить от 24 до 32, для класса А+ его значение лежит в диапазоне от 32 до 42, для класса А — от 42 до 65. Машины класса В тоже достаточно экономичны — индекс EEI для них принимает значения от 65 до 76. Менее эффективны устройства класса С с индексом EEI от 76 до 85 и класса D с индексом более 85.
Программы

Количество и состав программ в сушильной машине зависит от класса модели и может составить до 3 до 20. Больший выбор предоставляют профессиональные устройства. Программы можно разделить на несколько групп. Сушка по времени предусматривает прямое задание длительности в минутах, а после завершения работы машина отключается автоматически. Сушка по остаточной влажности позволяет выбрать процент влаги, который должен остаться в белье. Кроме того, более дорогие модели позволяют выбрать сушку по типу ткани и по виду изделий — например, сушка деликатных тканей, хлопка, рубашек, детской одежды.
26 стандартных программ, объединенных в 5 пакетов:
Стандартные
Специальные
Спорт
Домашний текстиль
Гигиена
Функции

Уровень остаточной влажности определяется с помощью датчиков. Благодаря этому машина корректно сушит полотенца, пуховики, деликатные ткани и экономит электроэнергию. 
Такой механизм сохраняет мягкость вещей, не пересушивает волокна.
Вместимость

При выборе сушильной машины по весу загрузки следует учитывать, что в барабан у нее загружается влажное белье. Специалисты рекомендуют выбирать вес загрузки так, чтобы все белье, постиранное за один цикл, можно было сразу перегрузить из стиральной машины в барабан сушильной. Для домашних моделей вес загрузки составляет обычно от 6 до 9 кг. Минимальное значение веса загрузки составляет около 3,5 кг, а наибольшее в профессиональных моделях может достигать 12-15 кг. Следует помнить, что для лучшего результата и более равномерного высушивания не следует заполнять барабан машины целиком.
Особенности конструкции и дизайн

Для сушильных машин цвет корпуса имеет особое значение, так как эти приборы выпускаются в основном в отдельно стоящем варианте. При установке в колонну или бок-о-бок со стиральными оба устройства обычно выбираются одинаковыми по цвету. Цветовая палитра для сушильных машин достаточно ограничена: наиболее востребован, как и для любой домашней техники, универсальный белый цвет. Нередко с белым корпусом контрастирует люк черного цвета, но не меньшее количество моделей выпускается с люком того же тона.
Сушильные машины с корпусом черного цвета в продаже практически отсутствуют: для любителей техники темных оттенков можно рекомендовать сушилки цвета антрацит и титан от таких известных брендов, как Kuppersbusch, Asko или Schulthess Spirit. Та же компания Asko, а также производитель элитной бытовой техники Miele из Германии предлагают сушильные машины и шкафы для профессионального и домашнего использования в цветах нержавеющей стали и серебра. Цветные же сушильные машины — еще большая редкость: упомянуть здесь стоит только профессиональные устройства от Miele в корпусе темно-синего цвета. Строгий дизайн часто дополняется блестящими металлическими деталями.

Цвет панели управления сушильных машин подбирается таким образом, чтобы на нем легко читались надписи и обозначения кнопок и индикаторов, а также сообщения на дисплее. У наиболее популярных отдельно стоящих сушилок панель управления является открытой. Как и у стиральных машин, цвет ее может совпадать с цветом корпуса или контрастировать с ним. Чаще всего можно приобрести сушильные машины с панелью управления белого, серебристого, серого цветов с металлическими деталями. Сенсорная панель управления, большую часть которой занимает дисплей, достаточно часто изготавливается в черном цвете.

Внешний вид сушильной машины позволяет сразу отличить ее от стиральной. Прежде всего этому способствует форма и цвет дверцы люка. В сушильных машинах дверца намного чаще делается глухой или наполовину глухой, а не полностью прозрачной. Имеется достаточно много моделей сушилок с прямоугольной дверцей. Цвет дверцы люка может соответствовать цвету всего корпуса при достаточно ограниченной цветовой палитре, включающей белый, черный, серый, серебристый цвета, реже синий или цвет нержавеющей стали. Не редкость и дверца контрастного цвета — как правило, черного при белом корпусе.

Барабан VarioSoft в сушильных машинах производства Bosch, Miele и ряда других крупных производителей позволяет варьировать воздействие на белье в зависимости от типа ткани и вида изделий. Поверхность этого барабана из нержавеющей стали покрыта внутри выступами каплевидной формы, имеющими одну пологую и одну крутую сторону. В зависимости от выбранного режима барабан может вращаться в двух направлениях, так что на белье будет воздействовать то одна, то другая сторона выступов, и это воздействие будет то более мягким, то более интенсивным. Вещи при такой сушке сохраняют свое качество и форму.

Стенки барабана покрыты «сотами» — небольшими выемками, благодаря которым образуется воздушная прослойка. Она амортизирует белье, увеличивает скорость сушки, предохраняет от складок.

Форма дверцы у сушильных машин может быть и круглой, как у стиральных, и прямоугольной. Для сушилок, в отличие от стиральных машинок, несущественно, будет ли дверца прозрачной: целый ряд моделей выпускается с полностью глухими дверцами, а у некоторых устройств прозрачной делается только верхняя половины дверцы, а в нижней размещается фильтр с легким доступом для быстрой очистки. Прямоугольные дверцы, так же как и глухие, позволяют сразу отличить сушильную машину от стиральной. Перенавешивание дверцы предусмотрено во многих сушильных машинах и может производиться силами пользователя.
Управление

Производители бытовой техники предлагают два типа сушильных машин — с механически и электронным управлением. Ассортимент сушильных машин с механическим управлением ограничен — основном это недорогие центрифуги с минимальным набором режимов работы. Большинство устройств средней и высокой ценовой категории оснащается электронным управлением, однако наряду с сенсорным дисплеем и сенсорными или обычными кнопками на панели управления имеется механический поворотный программатор. Такая система управления позволяет подобрать оптимальные параметры сушки любых текстильных изделий.

Элементы на панели управления сушильной машины служат для выбора программы сушки, для регулировки параметров работы, для задания дополнительных опций. Большинство сушильных маши оборудовано поворотными переключателями: с их помощью можно легко выбирать программу сушки — по остаточной влажности, по типу ткани, по виду изделий, по времени. Кнопки предназначаются для добавления к программе дополнительных опций: они могут быть как обычными, так сенсорными — в последнем случае все варианты выбора отображаются на дисплее, и возможности управления становятся более удобными и гибкими.
Дополнительные характеристики
Управление M Select
Тип сушки: отвод воздуха
Технические характеристики
Инструкции
Немецкая компания Miele специализируется на выпуске бытовой техники премиум-класса. Ее история насчитывает более 120 лет: еще в 1899 году компания, названная по имени одного из основателей Карла Миле, производила сепараторы и маслобойки. Бытовая техника начала изготавливаться с 1903 года — тогда была выпущена прогрессивная по тем временам стиральная машина «Модель А» с мешалкой на крышке. Затем была разработана стиральная машина с электродвигателем. Оборудование для стирки долго оставалось приоритетом компании: например, в 1953 году появилась первая стиральная машина с фронтальной загрузкой. С 1963 года компания производит машины для мытья посуды, а затем и встроенную технику для кухни.
На сегодняшний день производство «Миле» размещается не только в Германии, но и в Австрии, Чехии, Румынии и Китае. Девизом компании остаются слова «Все лучше и лучше»: каждый прибор проходит специальный тест на долговечность, а бренд вошёл в десятку лучших европейских корпоративных брендов. Среди самых популярных изделий — варочные панели, духовые шкафы, вытяжки, пароварки, холодильники, пылесосы, гладильные системы и, конечно же, посудомоечные и стиральные машины.
Последние отзывы о модели Miele PDR 507 EL RU SST
 
									На данный товар распространяется официальная гарантия производителя. Обслуживание в течение всего гарантийного срока осуществляется авторизованными сервисными центрами производителя в соответствии с требованиями, указанными в Законе РФ «О защите прав потребителей».
 Обратите внимание: гарантийный срок и установленный производителем срок службы — это разные понятия. Изготовитель принимает на себя ответственность по устранению неисправностей, если не указано обратного.
ВАЖНО!
 При получении обязательно осмотрите прибор: нет ли на нем механических повреждений, соответствует ли комплектация заявленной.
Обратите внимание:
- Есть функции:
- ‐ Шёлк
- ‐ Шерсть
- ‐ Мужские сорочки
- ‐ Обычная деликатная
- ‐ Проветривание
- ‐ Обычная экспресс
- ‐ Гигиеническая
- ‐ Разглаживание
- ‐ Функция антисминания
- ‐ Верхняя одежда
- ‐ Джинсы
- ‐ Вещи с пуховым наполнителем/одеяла
- ‐ Сушка по времени
- ‐ Сушка махровых тканей
- ‐ Сушка в корзине
- ‐ Постельное белье
- ‐ Автоматическая
- ‐ Под утюг
- ‐ В гладильную машину
- ‐ Таймер отсрочки старта
- ‐ Специальная корзина для сушки шерсти
- Тип сушки: тепловой насос
- Глубина: меньше на 11.7 см
- Ширина: меньше на 0.1 см
- Вид: Для дома
- Цвет: белый
- Страна производитель: Швейцария
- Нет функций:
- ‐ Контроль влажности белья
- Глубина: больше на 6 см
- Загрузка белья: больше на 1 кг
- Цвет: белый
- Страна производитель: Евросоюз
- Габариты, ВхШхГ (см): 85х59.6х77.7
- 
															Конструкция дверцы:
 ‐ со стеклом
 
 
													 
													 
													 
													 
													 
													 
													 
													 
																		
																		 
																		
																		 
																		
																		 
																		
																		 
																		
																		 
																		
																		 
																		
																		 
															 
															 
															 
															 
																
															 
																
															 
																
															 
												 
																						 
																						 
																						 
																						 
																						 
																						 
																						 
																						 
																						 
																						 
												 
												 
																	
																 
																	
																 
																	
																 
																	
																 
																	
																 
																	
																 
																	
																 
																	
																 
																	 
																	 
																	 
																	 
																	 
																	